
整體式溫度計套管簡介
整體式溫度計套管是由不銹鋼或其它材料的圓棒整體鉆孔而成,預先安裝在不便拆卸的管道或其它裝置上,不僅能起到抵御測量介質的壓力、流速和腐蝕作用,還可以保護測溫元件和在線式更換測溫元件。一般和上海自動化儀表三廠熱電偶、熱電阻、雙金屬溫度計配套使用。
整體式溫度計套管主要技術參數
◆耐溫范圍:0-600-800-1000℃
◆套管形式:直形整體鉆孔式
◆套管材質:不銹鋼304,321,316、2520等
◆套管耐壓:小于或等于9.8MPa
◆套管耐流速:無
◆適用范圍:適用于熱電偶、熱電阻、雙金屬溫度計
◆安裝方式:焊接式
溫度計套管安裝圖片
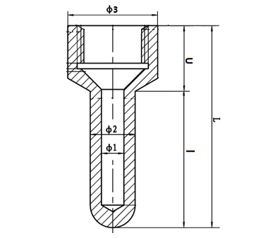
◆整體式溫度計套管
L=U+l,U=35-50mm,l=75-550mm
Φ1=6-12mm,Φ2=16-28mm,Φ3=40-48mm
以上數據為正常參數,也可根據用戶需要生產



客服1